当前位置:首页 > 产品中心 > 计量泵
  • DJ-L型隔膜式计量泵

    • 质量稳定:全程质量监控,细致入微,全方位检测,保证产品质量!
    • 交货快捷:先进生产流水线,备货充足,常规产品全部仓库现货供应!
    • 专业定制:高级工程师专业选型报价,各种材质非标产品皆可洽谈定做!
    销售热线 021-66528888
    一、DJ-L型隔膜式计量泵产品概述:
    DJ-L系列产品,是由电机驱动的机械隔膜计量泵,适用于底压力场合的流体精确计量,有多种材质泵头可选,膜片统一采用多层复合PTFE材质。因其具有很高的计量精度和稳定性能及极高的使用工求,而广泛应用于污水处理,食品剂添加,各种特殊介质的输送。

    二、DJ-L型隔膜式计量泵产品特点:
    1. 构造上,完全无泄漏。
    2. 可用PVC、PTFE、PVDF、1Cr18Ni9Ti、316等作为泵头材料。
    3. 适用于各种耐酸碱药液。
    4. 可以安装于药槽上。
    5. 安装容易、维修、保养简便。
    6. 操作安全性能高。
    7. 运转中流量随意调整。

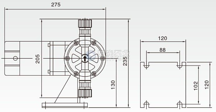
    三、DJ-L型隔膜式计量泵技术参数:
    1. 流量:0-180 L/H
    2. 压力:0-1 MPa
    3. 行程:3-5 mm
    4. 泵速:0-180 min-1

    材质:


    四、DJ-L型隔膜式计量泵计量泵原理:
        本系列产品原理特性是由电机通过涡轮蜗杆驱动的机械隔膜式计量泵,适用于低压场合的流体计量。
        隔膜式计量泵利用柔性隔膜取代活塞,在驱动机构的带动下使隔膜作来回往复运动,改变泵腔容积,在泵进出口阀的作用下吸排液体。
        隔膜式计量泵可按各种工艺流程的需要,流量可在0-100%范围内无级调节,定量输送不含固体颗粒的腐蚀性和非腐蚀行性液体,泵头配有多种过流材料(PPH、PTFE、PVC、PVDF、RPP、SS304、316、316L)。
        隔膜计量泵由于能用隔膜把过流液体与驱动润滑机构之间的完全隔离,采用高科技的结构设计,并使用最新型的PTFE与橡胶复合膜片,耐腐蚀强,大大的提高了膜片的使用寿命。

    免费通话所产生的费用由我们来支付,请放心接听!

    企业总机:021-66528888              销售热线:021-66528888
    销售邮箱:021@66528888.com          图文传真:021-66525619
    Copyright©上海阳光泵业制造有限公司   XML地图   HTML地图

    稍后您将接到我们的来电请准备接听